• TransportTransport gratuit pentru comenzile mai mari de 350 RON! Doar in Romania.

Pinion angrenaj conic M1.5 1:3 Z16

Scrie un review
  • 442928
  • 98.00 lei
    Producatorul
    CHIARAVALLI
In stoc 4 buc.
+
  • Metode de plata:

    Descriere

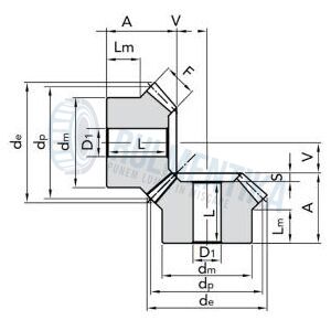
    • Raport de transmisie/reducere 1:3
    • Diametru primitiv dp=24 mm 
    • Diametru exterior de=26.82 mm 
    • Latimea danturii F=12 mm 
    • Inaltimea pinionului A=24 mm
    • Diametrul butucului dm=20 mm
    • Diametrul interior D1=10 mm
    • Numar de dinti Z=16

    Produse recomandate

    Livrare rapida
    Livrare rapida
    Livrare rapida
    Livrare rapida