• TransportTransport gratuit pentru comenzile mai mari de 350 RON! Doar in Romania.

Pinion angrenaj conic M3 1:4 Z64

Scrie un review
  • 176111
  • 588.00 lei
    Producatorul
    CHIARAVALLI
In stoc 2 buc.
+
  • Metode de plata:

    Descriere

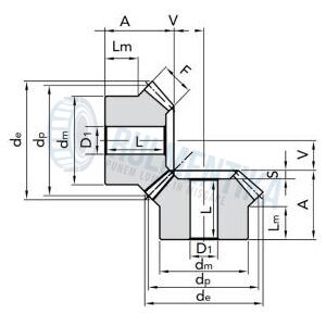
    • Raport de transmisie/reducere 1:4
    • Diametru primitiv dp=192 mm 
    • Diametru exterior de=193.45 mm 
    • Latimea danturii F=22 mm 
    • Inaltimea pinionului A=30 mm
    • Diametrul butucului dm=100 mm
    • Diametrul interior D1=20 mm
    • Numar de dinti Z=48

    Produse recomandate

    Livrare rapida
    Livrare rapida
    Livrare rapida
    Momentan indisponibil
    Livrare rapida