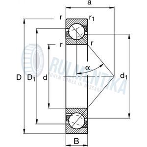
Rulment 7211 B 2RS ISB
radial-axial cu bile pe un rand-
671811
-
178.00 leid (diametrul interior)55,000D (diametrul exterior)100,000T (latime)21,000ProducatorulISBIn stoc 5 buc.
Metode de plata:
Descriere
Rulment 7211 B 2RS ISB, de tip RADIAL-AXIAL CU BILE PE UN RAND. Vezi codurile de echivalenta pentru Rulment 7211 B 2RS ISB de la diferiti producatori, mai jos.
Echivalente
Echivalenta FAG:
7211-B-2RS
Echivalenta SKF:
7211 BE-2RS
